『科学家』扇贝有200多只眼睛,结构比人眼复杂,它们眼中的世界是怎样的

文章图片

文章图片

文章图片

文章图片
笔者-小文
在我们人类看来 , 扇贝是一种低级生物 , 它们广泛分布于世界各地的海洋中 , 也是人类最为喜爱的美食之一 。
然而 , 科学家对扇贝进行研究之后发现 , 扇贝的生命形式远比人类想象的要复杂得多 , 因为即使是一只不起眼的扇贝 , 它们眼睛的数量也达到了两百多颗以上 。
大多数动物的眼睛都只有两个 , 但即便我们视野中观察到的角度有限 , 但两只眼睛对于人类而言也足够用了 。
而说到眼睛的不同之处 , 昆虫的眼睛和人眼是差距最大的 , 昆虫的眼睛属于复眼 , 它们眼里看到的食物不是一个而是无数个 。
而章鱼则是地球上眼睛构造和人眼最为接近的生物 , 但科学家却发现 , 章鱼的眼睛看得比人眼还要“清楚” , 它们拥有无比优秀的动态视力 , 甚至 , 人们还认为章鱼的眼睛可以看见四维世界 。
那么 , 扇贝的两百多颗眼睛又有什么用呢?对于本身就不敏捷的它们来说 , 眼睛就算再多 , 也很难躲避敌人的袭击 , 难道说 , 扇贝的眼睛仅仅是摆设吗?
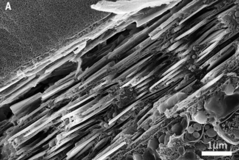
【『科学家』扇贝有200多只眼睛,结构比人眼复杂,它们眼中的世界是怎样的】当然不是 , 扇贝之所以能够捕捉到漂浮在水中的食物碎屑 , 依靠的不是触觉 , 而是敏感的视觉 , 而我们都知道 , 多数生物包括人类在内的眼睛中都有聚光的晶体 , 但扇贝的眼后还长着凹面镜 。
据美国的《科学》杂志研究表明 , 科学家早在1960年代就知道 , 海扇蛤科的贝类生物可以经由凹面镜反光到上方视网膜看见物体 。
如今 , 科学家已经找到一种方法 , 可以快速冻结扇贝眼睛的晶体 , 使得样本不会脱水 , 保持原来的形状以便观察 。
我们人类之所以能够看见物体 , 是因为光线进入眼睛后会通过晶体聚焦到感光细胞构成的一层视网膜上 。
而扇贝则恰恰相反 , 当光线进入到扇贝的眼睛后 , 首先会透过透镜状的特殊结构 , 并穿过两层结构重叠于一起的视网膜 , 最终反射到凹凸镜类似的结构中 。
虽然科学家目前已经得知了扇贝眼睛的工作方式 , 但我们仍然不清楚 , 扇贝眼中的世界究竟是什么样子的 , 以及 , 扇贝又是如何长出如此多的眼睛的 。
科学家指出 , 研究扇贝的眼睛将有利于为未来的新型光学设备提供仿生带来灵感 , 而扇贝的眼睛也让人意识到 , 自然界中的动物都有着其生存的法则以及特殊的身体机构 , 并不存在高等和低等这种说法 。
- 【科学家】“太岁”到底是什么生物?科学家给出答案:科学家给出答案
- 『4G』让路新机,安卓机皇降价2000元,跌至小米价
- [6g]256GB高内存,跌至1699元,前置3200万+后置三摄
- 『科学家』全球仅剩38条,与世隔绝5万年的鱼,还差点被醉鬼连锅端了
- 【飞行器】科学家发现,6000多年前的“飞行器”,或能随意穿梭宇宙太空
- 『科学家』世界上真的有僵尸病毒,已经在巴西雨林找到,希望不会威胁到人类
- 科学家@中国两个最神秘的地方, 真实存在, 科学家至今都无法解释!
- 科学家:俄科学家揭秘金字塔骗局,距离完工仅100余年,他们有何证据?
- 【银河系】银河系或早已死亡,我们看到的只是几亿年前的光芒,听听科学家怎么说!
- 双星系统@双星系统是生命禁区?美国科学家指出:大自然从不受人类想象所限
