供电|更高功率的以太网供电(PoE)开辟新的物联网应用( 二 )
Type 3或PoE ++,使用四对电缆在IEEE 802.3bt下为视频会议系统组件和建筑物管理设备提供高达60 W的功率。
Type 4将PoE ++扩展至90 W,可为设备提供高达71.3 W的功率。
当支持自动分类时,Type 3和Type 4 PSE可检查链路是否可使用所有四对双绞线电缆,这是在连接时发生的。作为响应,PD生成两个电源特征之一。单特征显示两对和四对模式都通过整流器连接到同一电源轨,并且所有电气负载共享同一电源轨。在双特征PD中,两种模式都采用不同的检测和分类机制连接到个别的PD控制器。这说明即使为两对模式供电,仍然可以对四对模式进行检测和分类。这采用单特征PD是不可能实现的。新标准还支持较低的待机功耗阈值。先前的IEEE 802.3at标准的最低功耗阈值为130 mW,低于PD关断阈值。使用短MPS(维持电源特性)的802.3bt标准的阈值仅为20 mW,从而大大降低待机功耗。
由于Autoclass管理提供给端口的功率,它需要确保每个PD接收到它所需的功率,这还包括考虑不同电缆长度上发生的任何损耗。为此,PD必须在首次通电约1.5秒内消耗所需的最大功率,PSE会以此确定PD的功率预算(图1)。
文章插图
图1:含自动分类功能的8级PD的启动过程
PoE控制器现在正在兴起,采用外部或集成MOSFET支持大功率PoE。没有集成晶体管的控制器可根据特定应用调整对MOSFET的选择。
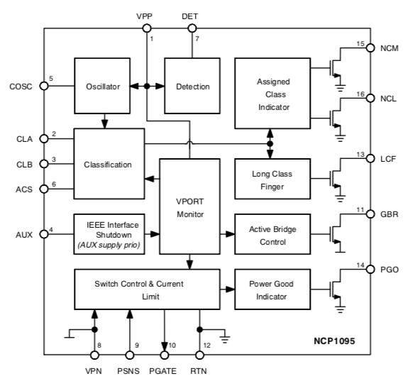
例如,安森美半导体的NCP1095 PoE-PD接口控制器支持IEEE 802.3af、802.3at和802.3bt,并集成了实现PoE PD所需的所有功能,如浪涌阶段的检测、分类和电流限制。电源由外部导通晶体管提供,控制器具有“电源良好” (power good) 引脚,可确保正确禁用/启用相邻的主DC-DC转换器。分类结果引脚使控制器支持特定的功率等级,最高可达8级。NCP1095还支持自动分类,并指示何时可实施简短的维持电源特性。另外,一个辅助电源检测引脚使NCP1095可用于由PoE或壁式适配器供电的应用。图2显示了NCP1095的功能框图。
文章插图
图2:NCP1095的功能框图
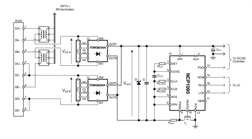
从两对以太网电缆转向四对以太网电缆供电,需要对PoE标准大幅更改,将可用功率提高到100W。以Autoclass添加单特征和双特征使此更高效和可控。IEEE 802.3bt 标准正开辟新的应用用于围绕边缘计算和人工智能的工业控制。更高的功率可赋能更高性能设备,不需要集成或外部AC - DC功率级。图3说明了使用NCP1095如何实现典型的PoE PD应用。
文章插图
图3:使用NCP1095的典型PoE PD应用
【 供电|更高功率的以太网供电(PoE)开辟新的物联网应用】有了更多功率,PD可集成更多特性和功能,如运行越来越复杂的机器学习算法,以监控工厂车间的活动并在潜在问题变得严重之前识别出来。这也减少了发送回云的数据,降低了能源成本和复杂性。
- 会员|美容院使用会员管理软件给顾客更好的消费体验!
- 查询|数据太多容易搞混?掌握这几个Excel小技巧,办公思路更清晰
- 速度|华为P50Pro或采用很吓人的拍照技术:液体镜头让对焦速度更快
- 设置|iPhone拍照小技巧:保留常用设置更高效
- 区企联企协|谋求更高质量的转型发展!区企联企协与区科技局成功举办科技考察对接活动
- 效果|周冬雨化身美妆效果评测员?相比美妆数码宅的我更期待OPPO新机
- 用户|把更多主动权交还给用户,市面上敢这么做的或许只有OriginOS了
- 升级|国内知名商贸市场迭代争议多,理念升级更重要
- 硬盘|七八年前的电脑,运行速度缓慢,卡顿,更换两个硬件就能快如闪电
- 降价后|从4599跌至3699,骁龙865+256GB,比iPhone11更香
