张钧甯|乡下80平方房设计图,这样建好的小家,更温馨

文章图片

文章图片

文章图片

文章图片

文章图片

文章图片

文章图片

乡下80平方房分享给大家的定位是两类人 , 一类是自己宅基地不够大的;一类是宅基地够大 , 但是不想建大的 , 节省的预算可以在装修上费点精力的人 。 我给大家找来了五款适合小宅基地建的80平方房设计图 , 一层、二层、三层都有 , 喜欢就去盖!别墅图纸一:80平方米一层半带阁楼自建别墅设计图图 , 带车库
【张钧甯|乡下80平方房设计图,这样建好的小家,更温馨】别墅效果图展示
图纸介绍:80平方米农村一层带阁楼自建别墅设计图 , 带车库 , 外观非常简洁 , 灰色的外墙砖 , 简约大气的方柱 , 迂回的走廊 , 构成建筑明亮舒适的格局 。 屋顶采用的是传统的坡屋顶 , 建筑的层次感更分明 , 舒适感更全面 。
占地面积:10.76m*7.76m , 80平方米左右;
建筑层高:一层;
建筑高度:7.2米(含屋顶);
设计功能:
一层户型:走廊、客厅、餐厅、厨房、卧室、卫生间、车库;
阁楼户型:棋牌室、储藏间、卧室x2、卫生间;
别墅户型图展示
别墅图纸二:占地80平一层乡村别墅设计图 , 平屋顶预留楼梯 , 造价仅7万
别墅效果图展示
图纸介绍:占地80平一层乡村别墅设计图 , 平屋顶自建房图纸 , 预留楼梯 , 以后可以加盖二层 , 造价仅7万!墙体采用大面积的米白色外墙砖搭配黄色文化石 , 以及蓝色屋面瓦 , 整体配色素净淡雅 。 建筑周边绿植的点缀 , 大大提升了空间品质 , 为业主打造出了自然舒适的生活环境 。 室内布局也很实用 , 两式两厅一卫 , 农村一般的家庭都很适用 , 楼梯处可以预留后期加建或者做储藏间 。
占地面积:10.6m*7.9.m , 79.478平方米左右;
建筑层高:一层;
建筑高度:6.17米(含屋顶);
设计功能:
一层户型:客厅、厨房、餐厅、卧室x2、卫生间、储藏间(也可以预留楼梯口 , 后期加建);
别墅户型图展示
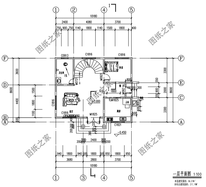
别墅图纸三:80平方米二层房屋设计图 , 造价10万左右
别墅效果图展示
图纸介绍:80平方米二层房屋设计图 , 造价10万左右 , 本套图纸的布局紧凑 , 空间利用率高 , 别墅外观小而美 , 富有田园气息 。
- 张钧甯|简约新房装修完工,全屋贴瓷砖大气又美观,装修费就花了18万
- 阔腿裤|张钧甯剪短发如整容,小香风外套配阔腿裤随性干练,38岁状态在线
- 张钧甯|她晒出大胆改造105㎡新房,极简风十足,飘窗这样设计太实用了
- 短发|张钧甯换发型,一身黑大衣加一头短发,又酷又飒
- 张钧甯|农村四层别墅设计,大露台娱乐室,年轻人也喜欢!
- 短发|张钧甯剪掉披肩长发,干练短发皮衣搭配还挺帅气,看完真叫人惊艳
- 张钧甯|美式风装修的四居室,花费20万,效果算不上大气,但挺耐看的!
- 张钧甯|2栋宽11米多的农村别墅,第一款户型已经颇有名气,大家都喜欢
- 张钧甯|越来越多人卧室不买大床了,现在流行这样装,省地还有层次感!
- 张钧甯|1楼违建得比窗户高,还建楼梯上2楼不拆,1楼:我70多岁了
