按关键词阅读: it芯片 芯片 电源管理

文章图片

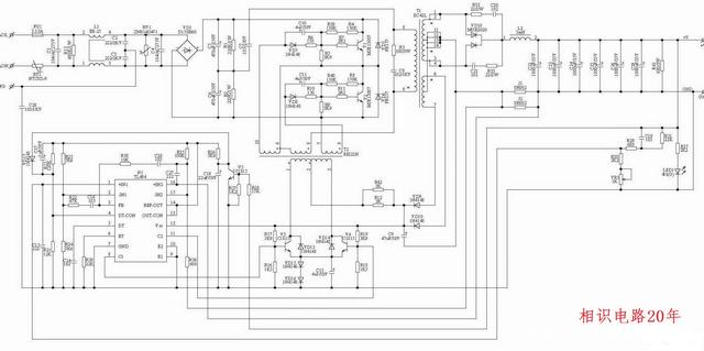
开关电源用TL494、KA7500等集成块通用设计
TL494电路图的工作原理 , 主要是各元件的功能
FU1保险管;
RT1热敏电阻 , 串联在交流电路中主要是起“电流保险”作用 。 为了避免电子电路中在开机的瞬间产生的浪涌电流在电源电路中串接一个功率型NTC热敏电阻器能有效地抑制开机时的浪涌电流并且在完成抑制浪涌电流作用以后由于通过其电流的持续作用功率型NTC热敏电阻器的电阻值将下降到非常小的程度它消耗的功率可以忽略不计不会对正常的工作电流造成影响 。
RV1压敏电阻 , 突然220V上升到310V!这时压敏电阻被击穿通过很大的电流熔断了保险丝后就保护了后面的电路电压正常时压敏电阻又恢复了原来的状态.
C1 R13(泄放电阻)C2 C3 C4 L1 , 大体可以理解为EMI抗干扰滤波电路 , EMI滤波器的作用是双方向性的 , 既能有效阻止外界的电磁干扰经电源线进入设备 , 又能阻挡设备自身工作中产生的电磁骚扰经电源线进入电网 , 传送到其他敏感设备 。 所以它是抗干扰和干扰抑制中都用得到的一种器件 。VD1 , 整流块 , 理解为桥式整流 。
494 脉宽调制输出至V3、V4 。 494 的各脚功能请看其pdf资料 。 1 脚是比较器+输入端 , 接电压监测 。 如图 , VR1 是输出电压调整 。
V3、V4 是功率推动三极管 。 T2是推动变压器 , 将推动电压提高以驱动末级功率管 , 末级工作在开关状态 。
V2、V3 接成推挽功率放大 。 VD5、VD6是反峰保护二极管 。 R3、C8是尖峰吸收网络 。
VD9、VD10、C9 组成全波整流滤波 , 给494供电 。
T1 的右部分就是低压部分了 。 整流滤波输出 , 没什么特别的 。
220V交流电经VD1整流 , C5C6滤波得到300V左右直流电 。 此电压经R1 , R2分压后约150V
给C7充电 , 经T1高压8 , 9脚绕组 , T2绕组8 , 6脚V2等形成启动电流 。
T2反馈绕组7 , 9绕组 , 10 , 6绕组产生感应电压 , 使V1 , V2轮流导通 。
因此在T1低压供电绕组(6 , 7 , 13)产生电压 , 经VD9VD10整流 , C9滤波 , 给TL494V3V4等供电 , 此时输出电压较低 。
TL494启动后其8脚 , 11脚轮流输出脉冲 , 推动V3V4 , 经T2反馈给绕组(7.9 , 10.6)激励V1V2 。 使V1V2由自激状态转入受控状态 。
T2输出绕组电压上升 , 此电压经R31R29R30 , VR1分压后反馈给TL494的1脚(电压反馈)使输出电压稳定 。
J1 , J2是电流取样电阻 , 充电或输出时J1 , J2产生压降 。 此电压经R36反馈给TL494的15脚(电流反馈)使充电或输出电流恒定 。
【芯片|采用TL494 KA7500电源管理芯片的开关电源原理】R8R9 , R40 是V2的偏置电阻 , VD8反馈整流 , 经R10 , R11到V2基极 , 加速V2导通 , C11是加速电容 , 可以加速V2的导通和截止 。 V1的元件功能同V2 。

稿源:(未知)
【傻大方】网址:/c/111cB1L2021.html
标题:芯片|采用TL494 KA7500电源管理芯片的开关电源原理